| NEWSLETTER from DaveOsborne.com | ||
| “Building Confidence” | August 2005 | |
Welcome to another issue of our newsletter. Dan and I hope your summer has gone well. Our prayers are with our neighbours to the South who suffered so shatteringly from Katrina.
With summer vacations and family reunions, etc. not much new has been added to our website. I have been keeping up with the daily questions, though. The last new article I wrote was at the end of June, Cabinets 4: How to Make a Formica Counter Top (at http://daveosborne.com/dave/articles/formica-counter-top.php ). I don't believe I mentioned this in a newsletter since then.
Here are some of the questions put to me last month.
Dave: I want to build a gazebo much like the one you have shown, 10'x10'. I want to make mine a 12` x 12`... Could you give me hip roof rafter dimensions for this project with the deck dimensions being 144"? Also I want to set the deck at grade level so its wheel chair accessible. Does this really need to be set on piers or can I set it on concrete pavers, say 12" x 12"? Thanks So much Rick
Hi Rick,
The outside of the beams should be 12'. You are increasing the widths by a common amount so you can multiply each rafter length, from ridge to wall line, by a common factor. 12/10=1.2. The common factor is 1.2.
So the common rafter length is 1.2X65=78+15 3/4=93 3/4". You can still use a 2x6. Notice the overhang doesn't change because it is the same length. This is a 16" overhang, check with me and I'll figure out another one if this is not your choice.
Hip rafter is 1.2X87 3/8=104 27/32+21 3/8=126 23/32"
Hip jacks are 1.2X53 5/8=64 3/8" and 1.2X27 5/8=33 5/32". Still only two are needed.
Follow the instructions on the plan and you should be alright, as long as the beams form a square at 12' to their outside.

This is a heavy structure and should have a good foundation. If you want the deck as low as possible and you don't live in an area that has a deep frost depth, you could level a 12'x12' area and use 3 - 12' pressure treated 2x10s as a mud sill and build the floor on top of that. Your floor then should be pressure treated material as well. Your floor level will still be above the grade about 7 5/8". Build a ramp about 11 to 1 slope for a wheel chair.
This would be heavy enough to withstand small winds, but not recommended for Florida's hurricanes.
Dave
Dave where can i find info on putting in a rectangular stove hood vent? it has to go up from the hood vent through the cabinet about 2 feet then strait back through a wall about 2 feet then up again about 2 feet through the roof. It only really has to be rectangular where it goes through the wall as the space it has to go through is only 4 1/4 inches high and 14 inches wide , the 4 1/4 inches high is the problem, i am going to have to do this all from one side of the 4 1/4 x14 hole and from what ever size hole i have to put in the roof which i do not even know that. But i need to do it before i hang this last sheet of sheet rock, almost done. seem tape, texture, primer, paint and floor tiles and time for cabinets. Help!! :-) Cliff
Hi Cliff,
The standard size vent duct for a range hood is 3 1/4" x 10" or 7" diameter. You can purchase the duct and transition pieces, angles, etc. at most building supply stores. You'll find that the 3 1/4x10 duct has a wall and roof cap that are compatible to it. The duct should be insulated in the attic to prevent condensation. Try to keep the duct as short as possible with as least number of 90 degree turns as possible. Each fan has a rating which allows so many feet of duct to the outside, 90 degree turns use up a certain amount of this allowable footage. You don't have too far to go from your description. The duct comes in a flat piece which is cut to length before assembling. Screw the joints to prevent separation with 1/2" x #6 pan head sheet metal screws and tape the joints with silver duct tape not the regular duct tape.
Dave
ok hard to get but i got the 3 1/4" X 10" two joints roof cap but no wall caps no one even shows one out there so i am stuck on that, now one of the two joints is the one for inside the cabinet to turn the duct straight down to the range hood the other is the one inside the attic to turn the duct straight up to the roof., not sure what to do for a wall cap or how far to bring in the duct through the sheetrock inside, not sure if i should bring it in like 2 to 4" put up the sheet rock and keep trying to find a wall cap then trim off the extra duct and install the wall cap or what, no building supply around here has the cap and the only place that had the 3 1/4 X 10 duct and parts was 100 miles away at Lowes and home depot, Oh and all together there will not be more than about 2' of duct from the sheetrock to the roof, through the sheetrock into the attic about 12" then up to and through the roof 12" to 13" Let me know what you think, Its all that is holding me up, i should be seam tapping this thing by now, Hummmmm Cliff
Hi Cliff,
I think you have the wrong idea on the wall cap. This is used on an exterior wall where the duct discharges, in place of the roof cap. You use one or the other.
Run the duct through the wall and down the cabinet. The duct should extend down through the cabinet by about 1/2", then cut the corners and fold the sides and ends back against the bottom of the cabinet. The range hood should have a lip which is screwed in place which extends up about 5/8 to 3/4 into the duct under the cabinet. The hood is then screwed in place to hold it secure.
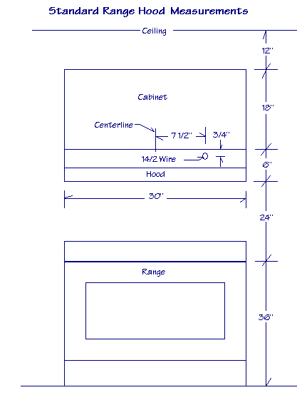
The 14/2 wire with ground comes through the wall, no electrical box, into the hood knock out hole. Use a box connector to protect the wire. Make a hole in the drywall large enough to give room for the connector. Connect the wires from inside the unit accessible from under the hood.
All you should worry about for now is getting the duct in and coming through the drywall where the cabinet will go. Then you can put the drywall in and after the cabinet is in you can carry on with the 9o* elbow and cut the cabinet bottom for the duct to pass through. The wire is no problem, just estimate where the hood will be, aim high rather than low. Leave the wire sticking out of the drywall at this point. You can always cut the drywall later and move the wire, if you are close.
The wire usually is 3/4" down on the right side of the hood and about 7 1/2" offset from center, as viewed facing the installed hood. The top of the cabinets in an 8' ceiling are at 7' leaving 1' for airspace. The cabinet over the range is set 24" above the range to the bottom of the hood. The hood is 6" high, leaving the cabinet 18" high.
Yes the duct is at the back of the hood about 1" from the back.
Dave
What is the largest span a girder can go without support of a footing? What is the largest span a floor joist, ceiling joist, rafters and ridges are allowed? * I know that the larger the span the bigger size wood is need but is there a limit to that?
Hi Glenn,
A girder must be supported down to the foundation at both ends, this is called point loading. A girder can sit on another girder which transfers the weight eventually to the foundation.
There is no limit, within reason, of the size of a structural member. They will just engineer a microlam or truss to fill the need. Checkout our span tables.
Dave
I am looking for plans for a wishing well to cover my well. is there plans and i am not looking in the right place? THANKS
Hi,
I don't have any plans for a wishing well, as of yet. What size are you looking for? Maybe it is time to draw up a plan of one for our website. Send me measurements, idea, pictures, etc. and I'll draw one up for you.
Dave
I never received a reply back from this member. I was talking to a friend of mine who makes small versions of them up for a hobby. Here is a picture of his work. Thanks, Steve.

If anybody is interested in plans for a wishing well, I'd be interested in hearing from you.
That's it for another issue. Dan and I hope you enjoy reading this newsletter and encourage you to forward it on to those who may benefit from it.
Dave
|
home | contact | articles | plans | downloads | dictionary assurance | cancel | newsletters Copyright © 1999-2026 by David E. Osborne. All Rights Reserved.
|